logo

Подробная информация о продукции

Created with Pixso. Домой Created with Pixso. продукты Created with Pixso.
Приборы предохранения от низшего напряжения
Created with Pixso.

Прочный латунный корпус HMI сенсорная панель Арматура сейса 1250W 11-12110-00

Прочный латунный корпус HMI сенсорная панель Арматура сейса 1250W 11-12110-00

Наименование марки: Emerson
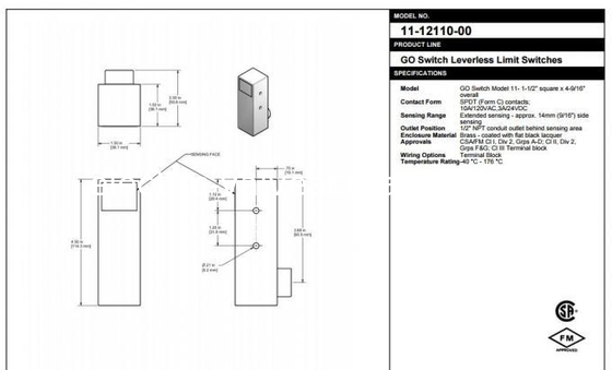
Номер модели: 11-12110-00
МОК: 1
цена: Подлежит обсуждению
Условия оплаты: Аккредитив, Документы против акцепта, Документы против платежа, Банковский перевод, Western Union, M
Способность к поставкам: В наличии
Подробная информация
Место происхождения:
Америка
Сертификация:
CE
Упаковывая детали:
Новая оригинальная коробка
Поставка способности:
В наличии
Описание продукта
Подробное описание продукта
Марка: Эмерсон. Модель: 11-12110-00
Происхождение 11-12110-00 Кондиционер: 120/240/480/600ВАК
В: 1250 Вт Упаковка: Картон
Подчеркнуть:

HMI дисплей с сенсорным экраном

,

промышленные панели HMI

 

 

HMI сенсорный экран Emerson GO SWITCH 11-12110-00 1250W 120/240/480/600VAC 1/2 дюйма.

 

GO Switch Model 11 имеет прочные корпуса и глобальные одобрения. Контакты рассчитаны на 10 ампер.Все переключатели включают круглые головные монтажные винты с блокировкой стиральной машины и гайкиОригинальный безрычажный переключатель, GO Switch Model 11, имеет герметичные золотого цвета мигающие контакты, сенсор без прикосновения и быстрое реагирование в квадратном дизайне переключателя: 38 мм квадрата x 116 мм в высоту.Как и все переключатели GO, он может быть проводным A/C или D/C, N/O или N/C, не потребляет энергии для работы, и не имеет утечки тока или падения напряжения.

GO Switch Model 11 выпускается в корпусе из прочной латуни или нержавеющей стали и выдерживает физическое насилие, влагу и коррозионные вещества.Он предлагает контакты SPDT 10 ампер, которые подходят для высокого или низкого тока, а также стандартный боковой датчик 10 мм, расширенный датчик до 14 мм или датчик точности 6 мм. Подходит для зоны 0, 1 или 2 (Div 1 & 2) взрывозащитных приложений,выдерживает температуру до 176°C, и может погружаться до 132 метров.

Простая конструкция модели 11, прочный корпус, большой диапазон обнаружения, гибкость проводки и глобальные одобрения делают ее идеальным выбором там, где требуется надежное обнаружение положения.

Преимущества:

  • Прочный латунный или нержавеющая сталь корпус выдерживает физическое насилие, влагу, взрывоопасные и коррозионные условия.
  • Арматура вибратора обеспечивает быстрое действие и твердое контактное давление, исключая "контактное дразнение" и "контактное болтовню" в приложениях с высокой вибрацией
  • Контакты SPDT для тяжелого использования с номиналом 10 ампер/120 ВАК, 3 ампер/24 ВДС, .5ампер/125ВДС
  • Стандартная температура - от 40°C до 105°C, высокая температура - до 176°C
  • Подходит для применения в зоне 0, 1 или 2 (дивизия 1 и 2) для защиты от взрывов
  • Единственный в мире взрывостойкий переключатель близости с мощностью 10 ампер.

 

 

Магнитные датчики: тип датчика - индуктивный магнитный датчик; применение - датчики железных металлов; стиль монтажа корпуса - блок; положение датчика - боковая; провода - 3 Вт; режим выхода - SPDT;Материал - корпус - латунь, Черный лак; Тип соединения - выпуск трубы; Размер соединения - 1/2 "НПТ; Оценка корпуса - класс 1, Div. 2; Операционная температура - -40 до 177 градусов C -40 до 350 градусов F;Дополнительная информация - Датчики расстояния: 14 мм. с магнитом нацеливания: 95 мм не включено; серия производителя - GO Switch 10 серия

 

Дополнительная информация: Расстояние обнаружения: 14 мм. С магнитом цели: 95 мм (не включено)

 

Прочный латунный корпус HMI сенсорная панель Арматура сейса 1250W 11-12110-00 0

 

Спецификации:

Тип датчика: Магнитный датчик
Применение: Ощущение железных металлов
Стиль установки корпуса: Блок
Положение датчика: Боковая
Провода: 3W
Режим вывода: СДПТ
Материал - корпус: Медь, черный лак
Тип соединения: Выпуск трубы
Размер соединения: 1/2 дюйма.
Квалификация корпуса: Класс 1, Дивизия 2
Рабочая температура: -40 до 177 градусов по Цельсию (-40 до 350 градусов по Фаренгейту)

 

 

Похожие модели:

81-20546-A2 81-20516-A2
7E-33658-DCA 7G-13529-B3
73-1352T-A2 73-13523-A2
73-13524-А2 11-11524-А2