logo

Подробная информация о продукции

Created with Pixso. Домой Created with Pixso. продукты Created with Pixso.
Приборы предохранения от низшего напряжения
Created with Pixso.

IC693CMM321 Эфирные ПЛК контроллеры, серии 90-30 Io Эфирный модуль 4 канала

IC693CMM321 Эфирные ПЛК контроллеры, серии 90-30 Io Эфирный модуль 4 канала

Наименование марки: GE
Номер модели: IC693CMM321
МОК: 1
цена: Подлежит обсуждению
Условия оплаты: L/C, D/A, D/P, T/T, Western Union, MoneyGram
Способность к поставкам: In Stock
Подробная информация
Place of Origin:
USA
Сертификация:
CE
Packaging Details:
New Original Box
Supply Ability:
In Stock
Выделить:

4-канальный Ethernet-модуль 90-30

,

Ethernet-модуль серии 90-30

,

Ethernet-модуль IC693CMM321

Описание продукта
Подробное описание продукта
Марка: ГЭ Модель: IC693CMM321
Место происхождения: США Наименование продукта: Модуль интерфейса Ethernet
Серия: 90-30 Вес: 1 фунт
Напряжение: 10% Ответ фильтра ввода: 29 Гц
Подчеркнуть:

промышленный программируемый контроллер

,

контроллеры Ethernet PLC

 

 

ПЛК программируемый логический контроллер IC693CMM321 GE FANUC SERIES 90-30 Модуль интерфейса Ethernet

 

 

 

 

The Analog Current/Voltage Combination Input/Output module provides up to 4 differential input current or voltage channels and 2 single-ended output channels with either current loop outputs or voltage outputsКаждый канал может быть индивидуально настроен для диапазона тока или напряжения, в зависимости от ситуации, требуемого для вашего приложения.за исключением прыжка, требуемого для выбора текущего режима вводаВсе диапазоны можно настроить с помощью функции конфигуратора программного обеспечения программирования Logicmaster 90-30/20/Micro или ручного программиста серии 90-30.

 

Обратите внимание, что в описании этого модуля модуль будет называться просто аналоговым комбо-модулем.

 

Каждый аналоговый вход способен обеспечивать пять диапазонов входа (два напряжения и три тока), которые:

  • от 0 до +10 вольт (единополярный) - диапазон по умолчанию как для входных, так и для выходных каналов.
  • от 10 до +10 вольт (биполярный)
  • от 0 до 20 мА от 4 до 20 мА
  • От 4 до 20 мА

 

По умолчанию диапазон ввода - режим напряжения от 0 до +10 вольт (единополярный) с данными пользователя, масштабируемыми таким образом, что 0V соответствует числу 0 и 10V соответствует числу 32767.

 

Каждый аналоговый выход способен обеспечивать четыре диапазона выхода (два напряжения и два тока):

  • от 0 до +10 вольт (единополярный) - диапазон по умолчанию как для входных, так и для выходных каналов.
  • от 10 до +10 вольт (биполярный)
  • от 0 до 20 миллиампер
  • от 4 до 20 миллиампер

 

 

 

БЫСКИЕ ДЕТАЛЫ

  1. Бренд:ГЭ
  2. Модель:IC693CMM321
  3. Место происхождения: США

 

Описание

Выходы могут быть настроены на состояние Hold Last State или на сброс на нижний конец их диапазона, если система питания прерывается.Выходы также могут быть настроены для работы в режиме рампы по команде из программы приложенияВ режиме рампы выходный канал переходит на новое значение в течение определенного периода времени, а не принимает новое значение немедленно.Высокие и низкие пределы сигнализации могут быть установлены для всех входных каналов, а сбой открытого провода (режимы текущего выхода) может быть сообщен CPU для каждого выходного каналаМодули ALG442 в стойках RX3i поддерживают обновления прошивки на местах.

 

 

СТРАНИЦА

Количество входных каналов:4 дифференциальная
Диапазоны ввода:От 0 до 20 мА / от 4 до 20 мА / от 4 до 20 мА Усиленное
Разрешение от 0 до +10В:2.5 мВ (1 ЛСБ = 2,5 мВ)
Разрешение от -10 до +10В:5 мВ (1 LSB = 5 мВ)
Ответ фильтра ввода:29 Гц
Потребление тока от внутреннего +5В питания:95 мА
Текущее потребление от внешних потребителей:129 мА
Тип устройства:Вход / выход Аналог, ток / напряжение
Диапазон напряжения внешнего питания:от 20 до 30 VDC (типично 24 VDC)
Напряжение:10%
Потребление энергии:95 мА от внутреннего +5 VDC,150 мА от внешнего +24 VDC
Скорость обновления:3 мс
Изоляция, от поля к фоновой плоскости и к каркасному грунту:250 VAC непрерывно; 1500 VAC в течение 1 минуты
Аналоговые выходы:Второй, одинокий?
Диапазоны выхода:от 0 до 20 мА, от 4 до 20 мА
Выходная емкость нагрузки:2000 pF (максимум)
Индуктивность выходной нагрузки:1 час (максимум)

 

 

The Analog Current/Voltage Combination Input/Output module provides up to 4 differential input current or voltage channels and 2 single-ended output channels with either current loop outputs or voltage outputsКаждый канал может быть индивидуально настроен для диапазона тока или напряжения, в зависимости от ситуации, требуемого для вашего приложения.за исключением прыжка, требуемого для выбора текущего режима вводаВсе диапазоны можно настроить с помощью функции конфигуратора программного обеспечения программирования Logicmaster 90-30/20/Micro или ручного программиста серии 90-30.

 

Обратите внимание, что в описании этого модуля модуль будет называться просто аналоговым комбо-модулем.

 

Каждый аналоговый вход способен обеспечивать пять диапазонов входа (два напряжения и три тока), которые:

  • от 0 до +10 вольт (единополярный) - диапазон по умолчанию как для входных, так и для выходных каналов.
  • от 10 до +10 вольт (биполярный)
  • от 0 до 20 мА от 4 до 20 мА
  • От 4 до 20 мА

 

По умолчанию диапазон ввода - режим напряжения от 0 до +10 вольт (единополярный) с данными пользователя, масштабируемыми таким образом, что 0V соответствует числу 0 и 10V соответствует числу 32767.

 

Каждый аналоговый выход способен обеспечивать четыре диапазона выхода (два напряжения и два тока):

  • от 0 до +10 вольт (единополярный) - диапазон по умолчанию как для входных, так и для выходных каналов.
  • от 10 до +10 вольт (биполярный)
  • от 0 до 20 миллиампер
  • от 4 до 20 миллиампер
 
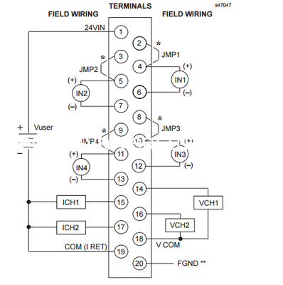
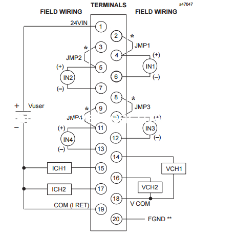
IC693ALG442 Диаграмма проводки аналогового комбинированного модуля
 
IC693CMM321 Эфирные ПЛК контроллеры, серии 90-30 Io Эфирный модуль 4 канала 0
 
СОБЯЗНЫЕ ПРОДУКТЫ
IC693CMM321A IC693CMM321B IC693CMM321C
IC693CMM321D IC693CMM321E IC693CMM321F
IC693CMM321G IC693CMM321H IC693CMM321J
IC693CMM321J IC693CMM321K IC693CMM321L
IC693CMM321M IC693CMM321N IC693CMM321O
IC693CMM321P IC693CMM321Q IC693CMM321R
IC693CMM321S IC693CMM321T IC693CMM321U
IC693CMM321V IC693CMM321W IC693CMM321X
IC693CMM321Y IC693CMM321Z

 

 

IC693CMM321 Эфирные ПЛК контроллеры, серии 90-30 Io Эфирный модуль 4 канала 1

 


ПРИМЕРНЫЕ ПРОДУКТЫ

Ясакава Мотор, Водитель SG- Mitsubishi Мотор HC-, HA-
Модули Вестингхауса 1С, 5Х, Эмерсон ВЕ, КД.
Ханьнивелл ТК, ТК... Двигатель фанука А0-
Радиопередатчик Розомаунта 3051- радиопередатчик Йокогавы